為了適應日益激烈的市場競爭,西安西普電力電子有限公司經過潛心研制,*新推出STRL新型數字式電動機軟起動器。這種新產品的推出,進一步拓寬了西安西普軟起動器市場范圍及需求層面,其主要特點:
1、技術更新
STRL數字式電動機軟起動器采用16位單片機技術及先進的軟件技術。在工藝上采用了SMT貼片焊接技術,對關鍵元器件經過精心設計、選擇、試驗,實行了標準、規范及專用化,從而確保了產品的高可靠性。
2、體積更小
獨特的模塊化設計,使其結構更緊湊、合理。其體積僅為同功率STRB型產品的二分之一左右。
3、價格更低
STRL型軟起動器產品價格低于同類STRB型產品,再國內同類產品中極具競爭優勢。
L型軟啟動型號說明

L型軟啟動選型


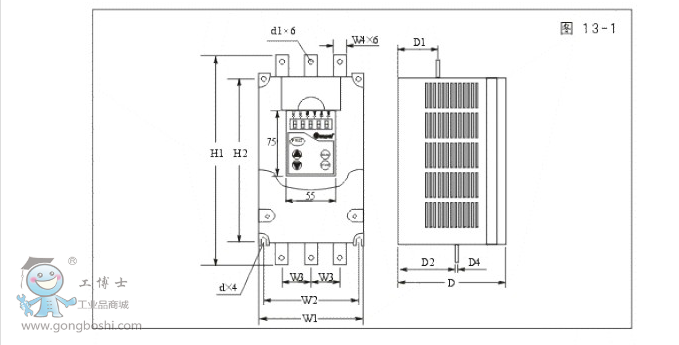
L型軟啟動尺寸



鑒于STRL性產品有高性能、體積小、價格優等諸多優點,所以有效地擴大了市場需求范圍,特別縮小了與傳統的自耦降壓起動產品價格差,從而,可爭取更多的過去由于價格而一直采用傳統起動器的用戶轉而使用軟起動器。
STRL軟起動器使用注意事項
STRL軟起動器在使用時必須配接旁路接觸器;
STRL軟起動器運行后無保護功能,必須另加電機保護電路;
STRL軟起動器不具備軟停車功能。